Tipos de Amplificadores Operacionales.
Seguidor de tensión.
Este circuito permite la
creación de una entrada de impedancia muy alta y una salida de baja impedancia.
Esto resulta útil para la interfaz de niveles lógicos entre dos componentes, o
cuando un suministro de energía está basado en un divisor de tensión. La
siguiente figura está basada en un divisor de tensión y el circuito no puede
funcionar. De hecho, la impedancia de carga puede tener grandes variaciones,
por lo que la tensión de salida puede cambiar de forma drástica, principalmente
si la impedancia de carga tiene un valor de la misma magnitud que R2.
El objetivo principal de un
amplificador operacional, como lo dice su nombre, es amplificar una señal. Por
ejemplo, la salida de un sensor se debe amplificar para que el ADC pueda medir
esta señal.
Amplificador operacional
inversor.
En esta configuración, la
salida se alimenta de regreso a la entrada negativa o inversa por medio de un
resistor (R2). La señal de entrada se aplica a este pin invertido por medio de
un resistor (R1).
El pin positivo se conecta a
tierra.
Esto es evidente en el caso
especial donde R1 y R2 son iguales. Esta configuración permite la producción de
una señal complementaria para la entrada, ya que la salida es exactamente
opuesta a la señal de entrada.
Debido al signo negativo, las señales de salida y entrada están fuera de fase. Si ambas señales deben estar en fase, se utiliza un amplificador no inversor.
Amplificador
operacional no inversor.
Esta
configuración es muy similar al amplificador operacional inversor. Para el no
inversor, la tensión de entrada se aplica directamente al pin no inversor y el
extremo del circuito de respuesta se conecta a tierra.
Estas configuraciones permiten la amplificación de una señal. Es posible amplificar varias señales utilizando amplificadores sumadores.
Amplificador
sumador no inversor.
Para
agregar 2 tensiones, solo se pueden agregar 2 resistores en el pin positivo al
circuito del amplificador operacional no inversor.
Cabe
mencionar que agregar varias tensiones no es una solución muy flexible. De
hecho, si se agrega una 3ra tensión con exactamente las mismas resistencias, la
fórmula sería Vs = 2/3 (V1 + V2 + V3).
Los resistores deberían cambiarse para obtener Vs = V1 + V2 + V3, o una 2da opción es utilizar un amplificador sumador inversor.
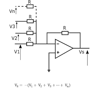
Amplificador
sumador inversor.
Al
agregar resistores en paralelo al pin de entrada inversor del circuito del
amplificador operacional inversor, todas las tensiones se suman.
A diferencia del amplificador sumador no inversor, se puede añadir cualquier cantidad de tensiones sin cambiar los valores del resistor.
Amplificador
diferencial.
El amplificador operacional inversor (ver circuito número 2) amplificó una tensión que se aplicó en el pin inversor, y la tensión de salida estaba fuera de fase. El pin no inversor se conecta a tierra con esta configuración.
Si
el circuito anterior se modifica al aplicar una tensión mediante un divisor de
tensión en el no inversor, el resultado es un amplificador diferencial, como se
muestra a continuación.
Un
amplificador no solo es útil porque permite agregar, sustraer o comparar
tensiones. Muchos circuitos permiten modificar señales. Veamos los más básicos.
Integrador.
Una
onda cuadrada es muy fácil de generar, por ejemplo, con solo activar un puerto
GPIO de un microcontrolador. Si un circuito necesita una forma de onda
triangular, una buena manera para lograrlo es integrar la señal de onda
cuadrada. Con un amplificador operacional, un capacitor en la ruta de respuesta
inversora y un resistor en el pin inversor de entrada, como se muestra a
continuación, se integra la señal de entrada.
Tenga en cuenta que un resistor se conecta frecuentemente en paralelo al capacitor para los problemas de saturación. De hecho, si la señal de entrada es una onda senoide de muy baja frecuencia, el capacitor actúa como circuito abierto y bloquea la tensión de respuesta. Entonces, el amplificador funciona como un amplificador normal de circuito con una ganancia de circuito abierto muy alta, por lo que se satura. Con el uso de un resistor en paralelo del capacitor, el circuito se comporta como un amplificador inversor con baja frecuencia y se evita la saturación.
Amplificador
diferenciador.
El diferenciador
funciona de manera similar al integrador al intercambiar el capacitor y el
resistor.
Todas las configuraciones que se presentaron hasta ahora.
Corriente
del convertidor-tensor.
Un
fotodetector convierte la luz en corriente. Para convertir la corriente en
tensión, un circuito simple con un amplificador operacional, un circuito de
respuesta a través de un resistor en el no inversor y el diodo conectado entre
los dos pines de entrada le permiten obtener una tensión de salida proporcional
a la corriente generada por el fotodiodo, que es evidente por las
características de la luz.
El
circuito anterior aplica la ley de Ohm con la fórmula fundamental: la tensión
es igual a la resistencia multiplicada por la corriente. La resistencia se
indica en Ohms y siempre es positiva. ¡Pero, gracias a los amplificadores
operacionales, se puede diseñar una resistencia negativa!
Resistencia
negativa.
La
respuesta en el pin inversor obliga a que la tensión de salida sea el doble de
la tensión de entrada. Debido a que la tensión de salida siempre es más alta
que la tensión de entrada, la respuesta positiva que corre por el resistor R1
en el pin no inversor simula una resistencia negativa.
Por último, un circuito con un amplificador operacional no necesariamente modifica la señal de entrada, pero la registra como el amplificador de detector de picos.
Amplificador
operacional detector de picos.
El
capacitor se utiliza como memoria. Cuando la tensión de entrada en la entrada
no inversora es más alta que la tensión de la entrada inversora, que también es
la tensión del capacitor, el amplificador entra en estado de saturación y el
diodo se dirige hacia adelante y carga el capacitor. Suponiendo que el
capacitor no tenga una autodescarga rápida, cuando la tensión de entrada Ve es
menor que la tensión del capacitor, el diodo se bloquea. Por lo tanto, el pico
de tensión se registra gracias al capacitor.
Hay
muchos más circuitos disponibles con amplificadores operacionales, pero al
entender estos 10 circuitos fundamentales podrá estudiar fácilmente otros
circuitos más complejos.











Comentarios
Publicar un comentario